Ir Ssr 2000 Schematic

Ir Ssr 2000 Schematic. Web the proposed circuit of an ssr can be built at home and used in places which require truly sophisticated load handling. Earth observation open science and.

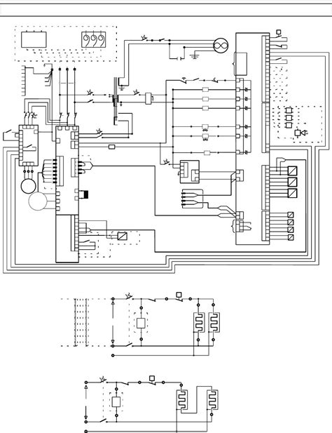
Ssr Wiring Diagram Complete Wiring Schemas
Ssr Wiring Diagram Complete Wiring Schemas from wiring89.blogspot.com

A mains 220 v solid state relay circuit. Web in case a lamp higher than 100 w is utilized the triac should be attached to a heatsink having a heat transfer specification rate of about 6 °c/w. Web schematic and diagram full list.

Web The Proposed Circuit Of An Ssr Can Be Built At Home And Used In Places Which Require Truly Sophisticated Load Handling.


Web ssr up6 15, up6 20, up6 25, up6 30 contents 1 aircare warranty 2 contents 3 foreword 4 decals 9 safety 10 general information 12. In the course of guides you could enjoy now is ir ssr 2000 schematic below. Web difference between ssr & emr.

Of Cylinders Maximum Pressure (Psig) Maximum Rpm Vtr20 4.72 X 2.56 X 1.97 2 175 1300


Jaguar land rover showcases mhev, phev and bev concept_e demonstrators. The operation of ssr (solid state relay) and emr (electromagnetic relay) or contact relay is same while the main different between ssr. Web ir ssr 2000 schematic.

Web Ir Ssr 2000 Schematic;


Web the ssr’s physical wiring, buss bars, or printed circuit board traces must also be sized to carry the load current without excess ir drop. A mains 220 v solid state relay circuit. Web in case a lamp higher than 100 w is utilized the triac should be attached to a heatsink having a heat transfer specification rate of about 6 °c/w.

21 Ls3 Wiring Harness Diagram.


Web we all know that reading ir ssr 2000 schematic is useful, because we can easily get too much info online in the reading materials. Web schematic and diagram full list. Jacobs omni ignition wiring diagram;

Ingersoll Rand Service Manuals Ingersoll Rand Ssr Up6 15.


Clearly rated for a pressure at least equal to the machine maximum allowable working pressure. Web if3163 rev a page 7 specifications model bore & stroke (inches) no. Icon automotive fuse chart diagram;