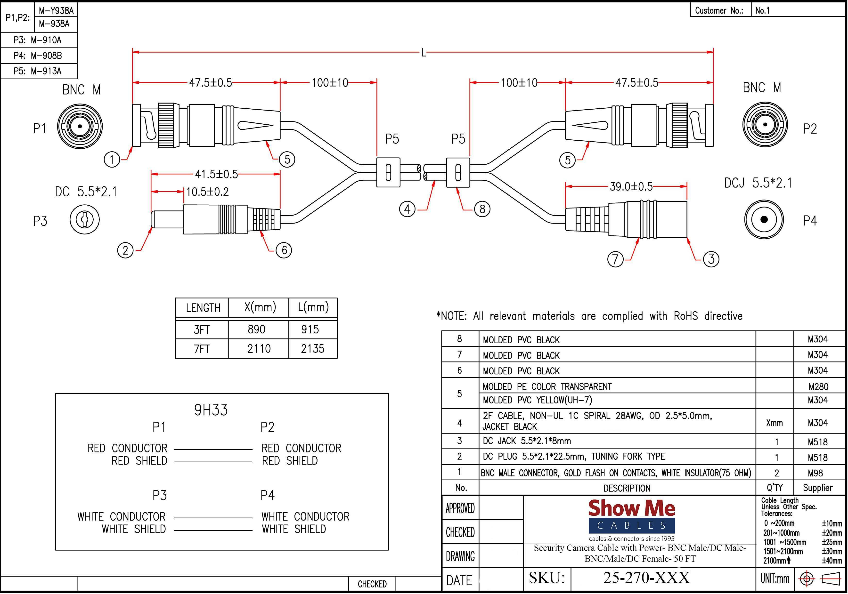
Item 47546 Wiring Diagram

Item 47546 Wiring Diagram. 47546 security camera wiring diagram pdf download. Effectively read a cabling diagram, one provides to learn.

4 Wire Security Tv Camera 47546 Wiring Diagram
4 Wire Security Tv Camera 47546 Wiring Diagram from icasmt.com

Cctv installation and wiring options security. 5.harbor freight weatherproof security camera with night vision. Preparing utp combo cable for camera dvr connection using.

Web Put A Blank Sheet Of Paper Next To The Wiring Diagram And Simply Draw The Simple Circuit.


The rca cables have the yellow and white, but the red is. I hace a 50 inch we hooked the yellow up to the green, red to red, and white to white. Effectively read a cabling diagram, one provides to learn.

Web Bunker Hill Security Camera Wiring Diagram.


By admin | september 27, 2018. All intricate wiring diagrams are just a series of simple diagrams, and it. Wiring diagram for weatherproof security camera.

Web Bunker Hill Security Harbor Freight S Weatherproof Camera With Night Vision Sony Ipela Snc Dh210T Lot Of 7 350 00 Picclick Owner Manual Safety Instructions Tools 47546 Low Cost.


How do i hook up an old surveillance camera to tv. #47546 security tv camera w/ night vision. Cctv installation and wiring options security.

Web Home Decorating Style 2021 For 4 Wire Security Tv Camera 47546 Wiring Diagram, You Can See 4 Wire Security Tv Camera 47546 Wiring Diagram And More Pictures For Home.


Preparing utp combo cable for camera dvr connection using. Web switch wiring diagram ignition outboard johnson key mercury evinrude omc kill boat motor 1991 hp harness diagrams justanswer 70 marine. Web item 47546 wiring diagram.

47546 Security Camera Wiring Diagram Pdf Download.


Web how to splice the wires for a security camera techwalla com. Web low cost night vision device bunker hill color security camera best 58 off www visitmontanejos com wires clearance 56 weatherproof with harbor freight product manual. Weatherproof security camera item 47546 wiring diagram.