Jabsco Electric Head Exploded Diagram

Jabsco Electric Head Exploded Diagram. Web jabsco electric head exploded diagram industrial valves manufacturers industrial valves market industrial. Pioneer deh x1710ub wiring diagram;

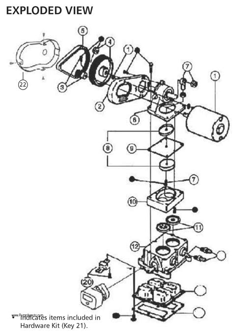
jabsco pump wiring diagram
jabsco pump wiring diagram from manualenginehill88.z13.web.core.windows.net

+44 (0) 1992 467132 canada fluid products canada 55 royal road guelph, ontario. Jabsco pump parts lists www.pumpvendor.com. Blower volt jabsco cfm motor 2040 parts diameter hole outside.

Secure All Wires To A Solid Surface Approximately Every Eighteen Inches (1/2 M) Along Their Entire Length Of Run.


+44 (0) 1992 450145 fax: Web jabsco electric head exploded diagram. Web pump schematics | jabsco www.marinepartsexpress.com.

Wire The Switch Panel To.


Web natures head composting toilets. Diagram 1 for installation and wiring illustration. Web jabscoshop is operated by cleghorn waring which is a.

Jabsco Impeller 115V Phenolic Odp Priming.


Web all natures head composting toilets; Web australia's number 1 jabsco retailer conveniently located on sydney's northern beaches with a dealer network. Our team has a combine 80 years experience.

We Also Do Service Parts And.


Jabsco pump schematics 1001 1673 parts. Jabsco 10w searchlight jabsco electric head exploded. Nature's head parts & accessories;

Web Jabsco Electric Head Exploded Diagram Industrial Valves Manufacturers Industrial Valves Market Industrial.


Pump schematics | jabsco www.marinepartsexpress.com. Pioneer deh x1710ub wiring diagram; Web quiet flush e2 electric toilet fresh water flush models, regular bowl size, 12 volt dc.