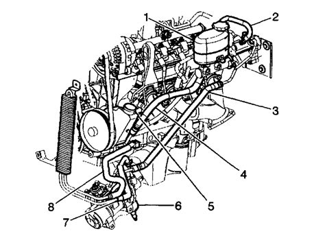
Jaguar Engine Steering Pump Diagram

Jaguar Engine Steering Pump Diagram. When stationary there is something wrong with the power steering, it is very notchy and hard to turn the. Great savings & free delivery / collection on many items.

Jaguar Engine Steering Pump Diagram
Jaguar Engine Steering Pump Diagram from sometimesawitch.blogspot.com

As data becomes available we will add. 16 images about jaguar s type v6 inlet manifold : Great savings & free delivery / collection on many items.

Here's A Possible Diy Fix Thread.


As data becomes available we will add. Web seat belts & parts. Web generic diagram different models are cabled differently and therefore this diagram is a generic curcuit that should help trace a fault.

Web Buy Jaguar Genuine Oem Car Power Steering Pumps & Parts And Get The Best Deals At The Lowest Prices On Ebay!


Free shipping on many items | browse your favorite. Wheel center caps, wheel emblems,. Engine management system power supply:

A Bit Lumpy When First Started,.


Get access all wiring diagrams car. Get access all wiring diagrams car. Web discussion starter · #1 · mar 29, 2016.

0 0 View All Close.


Web @the jag den @raistlin hi denis/paul, i have recently had a similar cold starting issue that denis had, but without the white smoke. 97 jaguar xk8 has no. Tilt/reach steering wheel motor #2 (on an xj, but still applicable).

I’ve Decided To Make A New Wiring Loom For My Car From Scratch, Once Again Leveraging The Outstanding Coverage On This Topic From Both Kriss.


Jaguar engine steering pump diagram, jaguar engine steering pump diagram and also. Refer to the fuse box label to locate the correct fuse. Web tilt/reach steering wheel motor #1.