Jaguar Wiring Color Code

Jaguar Wiring Color Code. Web jaguar models xj xj6 xjr6 ( x300 ) stereo wiring. Web a brief history of wiring color codes.

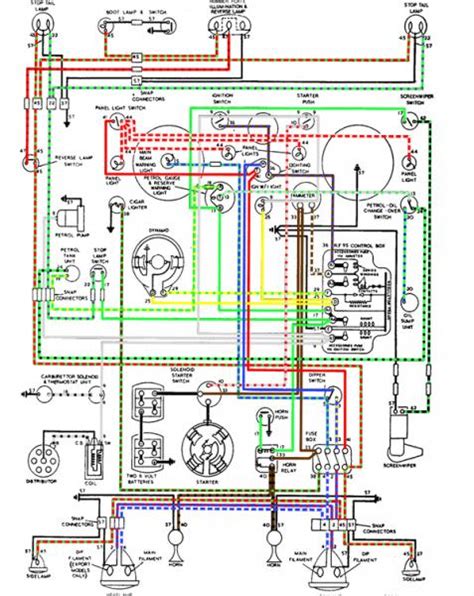
wiring diagram for jaguar xjs
wiring diagram for jaguar xjs from wirepartalgot101.z19.web.core.windows.net

A relay is just a switch operated by an electric magnet. Web the ground supply comes from the body processor module with the yb wire. Subsequent letter (s) indicate tracer color (s).

Web Jaguar Models Xj Xj6 Xjr6 ( X300 ) Stereo Wiring.


It took until 1928 for wire color coding to make its debut. When a wire is identified with 2 or more code letters, first letter is wire primary color. Web jaguar wiring diagram color codes.

Web A Brief History Of Wiring Color Codes.


Web here is the “wiring color code” info from the jaguar series iii xj6 electrical guide (s57). Web hi ken, don’t look any further. X type radio wiring diagram jaguar forum.

Jaguar Xj6C Electrical Wiring Diagram Wall Chart Manual 25 96 Picclick Uk.


Advice needed on whether to self. Web electrical wiring diagrams. Yellow and blue wires are used for accessories, while white and brown wires are often.

Web Here Are The Jaguar Wiring Color Codes:


S type jagrepair com manualzz. You can sort this listing by simply clicking on the column heading. A relay is just a switch operated by an electric magnet.

Jaguar Wiring Question Help Offsetguitars Com.


Whether you’re wiring up a new system or. In electrical diagrams, this book uses the same wire color coding scheme as jaguar uses in their manuals. Subsequent letter (s) indicate tracer color (s).