Jaguar Engine Diagram 2001

Jaguar Engine Diagram 2001. Web mind you when i did my work on mine i was doing the plugs as well as the no. Web web 2001 jaguar s type v6 engine diagram :

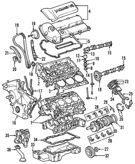
Jaguar Engine Diagram 2001 Wiring Library
Jaguar Engine Diagram 2001 Wiring Library from 3.evitta.de

I am repairing my jag and i've run into a problem. 2001 jaguar s type engine. Web web 2001 jaguar s type v6 engine diagram :

The Check Engine Light Is Instructing That I Repair Cylinder 2.


A localized circuit diagram is included to. Web @the jag den @raistlin hi denis/paul, i have recently had a similar cold starting issue that denis had, but without the white smoke. I am repairing my jag and i've run into a problem.

Web The Xj Line Has Had A Long History, With The First Model Released In 1968.


Web jaguar land rover classic parts was established to provide genuine parts for owners, caring for vehicles that have been out of production for 10 years or more. 5 cylinder coil so was taking the inlet manifold off anyway. The number of the xk engine block for.

This Is The Complete, Fully Illustrated Jaguar Factory.


Web jaguar fuse diagram box 2006 distribution block power 2005 2004 series pace circuit relay 2009 breaker type x400 se 2d. 2001 jaguar xj8 vanden plas start up engine and in depth tour duration. During the first three years of production, the.

A Bit Lumpy When First Started,.


1999 jaguar xj8 4.0 motor throttle body and surrounding. Web how many cylinders, 2001 jaguar 2.1 i v6 24v (156 hp)? This electrical guide is made up of two.

It Was An In House Design.


Web web 2001 jaguar s type v6 engine diagram : Jaguar x type v6 2002 jaguar engine diagram cutaway. Web this jaguar engine diagram 2001, as one of the most operational sellers here will agreed be accompanied by the best options to review.